Transdutor da Posicao Potenciômetro MINI MCR-2-POT-UI-PT Conexão Push In Phoenix Contact – 2902017

Transdutor da Posicao Potenciômetro MINI MCR-2-POT-UI-PT Conexão Push In Phoenix Contact – 2902017

SKU: 2902017 Categoria:

Descrição

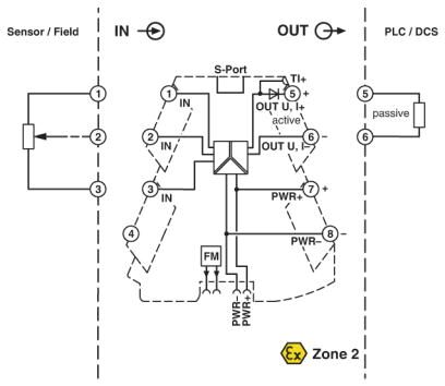
Transdutor configurável da posição do potenciômetro com sistema de conexão para a conexão de potenciômetros de 0 Ω … 100 Ω a 0 kΩ … 100 kΩ. Configurável através de chave DIP ou de software. Sistema de conexão push-in, configuração padrão Transdutor de potenciômetro configurável separado de 3 vias com sistema de conexão plugável. Os valores de medição são convertidos em um sinal de corrente ou tensão linear e livremente ajustável. Você pode configurar o equipamento através de uma das soluções de software gratuitas. Além disso, os ajustes padrão podem ser efetuados através de chaves DIP diretamente no equipamento (ver tabela de configuração). Se a utilização plena da faixa do potenciômetro não for possível, então, é possível definir o valor superior e inferior do potenciômetro no próprio software. O transdutor é compatível com o Fault Monitoring e com a comunicação NFC.

Informação adicional

Cs Linha

Cs Tipo

Cs Quantidade Entradas

Cs Sinal de Entrada

Cs Quantidade Saídas

Cs Sinal de Saída

Cs Tipo de Conexão

Título

Ir ao Topo