Rele de Segurança PSR-SCP- 24UC/ESAM4/2X1/1X2-2900525
Rele de Segurança PSR-SCP- 24UC/ESAM4/2X1/1X2-2900525
Descrição
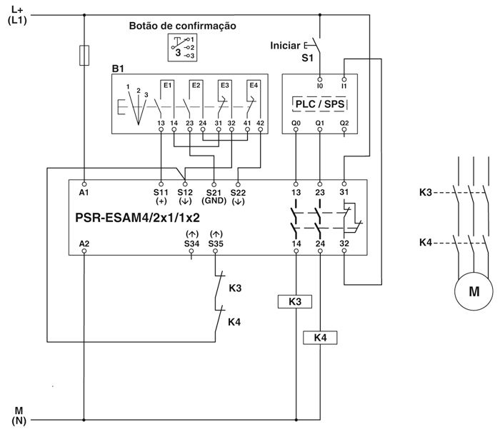
Rele de Segurança modelo PSR-SCP- 24UC/ESAM4/2X1/1X2 código 2900525 linha PSRclassic com funções de Parada de Emergência|Porta de Proteção com reset Automático|Manual e contatos 2 NA|1 NF certificações SILCL 3, cat. 4 e conexão Parafuso
Informação adicional
| Rele de Segurança Linha | |
|---|---|
| Rele de Segurança Código | |
| Rele de Segurança Modelo | |
| Rele de Segurança Função | |
| Rele de Seg StartRestart | |
| Rele de Seg Contatos Saída | |
| Rele de Seg Conformidade |






